bk:vm3
Приставка Бортника
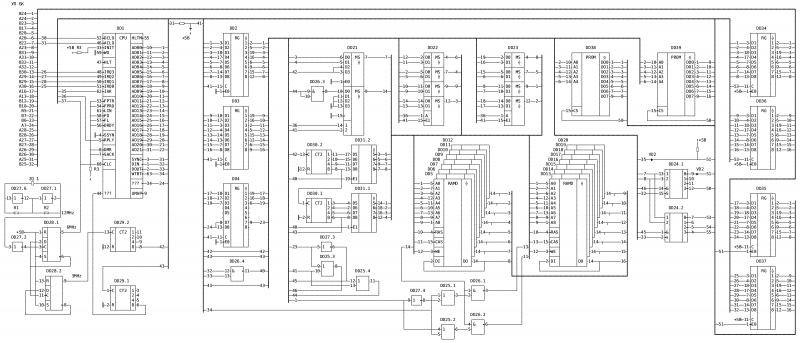
Схема так называемой “приставки Бортника” - компьютера, собранного на отечественном процессоре КМ1801ВМ3. Середина 90-х примерно. Спасибо andrey.terra@gmail.com за предоставленные данные.
Конденсаторы
- C1 - 120 пф
- C2-C14 - КМ-5а-Н90-0.068 мкф
Микросхемы
- D1 - КМ1801ВМ3
- D2,D3,D4 - КР1533ИР22
- D5-D20 - КР565РУ7?
- D21 - КР1533КП12
- D22,D23 - КР1533КП11А
- D24 - КР1533ИД4
- D25 - KM555ЛЛ1
- D26 - КР1533ЛА3
- D27 - КР1533ЛЛ1
- D28 - КР1533ТМ2
- D29,D30 - К555ИЕ19
- D31 - КР1533АП3
- D32-D37 - КР1533ИР22
- D38,D39 - К155РЕ3
Наборы резисторов
- Е1,Е2 - НР1-4-9-0,125 10 КОм
Резисторы
- R1,R2 - МЛТ-0,125-1 KОм
- R3 - МЛТ-0,125-3,6 КОм
- R4 - МЛТ-0,125-200 Ом
- R5 - МЛТ-0,125-3,6 КОм
Диоды
- VD1,VD2 - КД522Б
bk/vm3.txt · Last modified: 2012/04/04 17:07 by 127.0.0.1


