Table of Contents
Компьютерный программируемый “Лазерный эффект”
С помощью предлагаемого набора можно создавать множество различных узоров лазерного луча на экране, стене или потолке (рис.1), что порадует Вашего ребенка, оживит и украсит дискотеку, кафе, витрину магазина и т.д.
В комплект набора входят три электродвигателя с тремя прикрепляемыми к ним зеркалами. Электродвигатели управляются с помощью персонального компьютера с частотой процессора 350 МГц и выше. Собранное устройство подсоединяется к компьютеру через LPT-порт. Набор комплектуется необходимым программным обеспечением, работающим с операционной системой WIN95…98. С помощью компьютера можно запрограммировать и создать различные лазерные фигуры.
В качестве лазерного излучателя рекомендуется использовать лазерный модуль МК301 (в комплект набора не входит) либо аналогичный.
Технические характеристики:
| Напряжение питания, В | 12 |
| Ток потребления, мА | не более 400 |
| Размер печатной платы, мм | 100х60 |

Рис.2. Общий вид собранного набора
Конструкция
Конструктивно устройство “Лазерный эффект” выполнено на печатной плате из фольгированного стеклотекстолита с размерами 100х60 мм. Конструкция предусматривает установку платы в корпус, для этого на плате имеются монтажные отверстия диаметром 3,5 мм.
Набор не комплектуется корпусом, и может использоваться без него. Однако при необходимости пользователь может подобрать корпус самостоятельно.

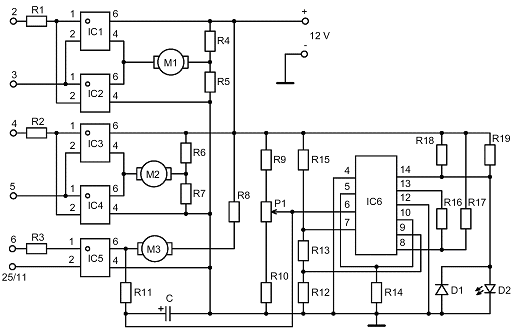
Рис.3. Схема электрическая принципиальная
Общие требования к монтажу и сборке набора
- Все входящие в набор компоненты монтируются на печатной плате методом пайки.
- Не используйте паяльник мощностью более 25Вт.
- Запрещается использовать активный флюс!!!
- Рекомендуется применять припой марки ПОС-61М или аналогичный, а также жидкий неактивный флюс для радиомонтажных работ (например, 30% раствор канифоли в этиловом спирте).
- Для предотвращения отслаивания токопроводящих дорожек и перегрева элементов, время пайки одного контакта не должно превышать 2-3с.
Порядок сборки
- Проверьте комплектность набора согласно перечню элементов (табл.1).
- Установите все детали на печатной плате согласно рис.4 в следующей последовательности: сначала малогабаритные, а потом все остальные элементы.
- Промойте плату от остатков флюса этиловым или изопропиловым спиртом.
- Оденьте кронштейны на валы двигателей.
- Аккуратно приклейте зеркала на кронштейны.
- Электродвигатели рекомендуется клеить на двусторонний скотч, а лазерный излучатель — на термоклей.
- Электродвигатели и лазерный излучатель приклеиваются на диэлектрическую пластину (например, CD - диск) под определенными углами, как показано на чертеже (рис.5). Отраженный лазерный луч должен от каждого вращающегося зеркала попадать на следующее зеркало и опять отражаться. Постарайтесь тщательно подобрать расстояние A от лазерного излучателя до зеркальной поверхности и расстояние B (см. рис.5) так, чтобы лазерный луч был максимальной мощности и в то же время была возможность перемещения луча для получения различных рисунков (рекомендуемое расстояние A около 30 мм, расстояние B около 20 мм).
- Если Вы хотите использовать лазерный излучатель большей мощности, чем рекомендуемый, то для его включения потребуется собственный источник питания. При этом на выход D2 печатной платы нужно установить реле на напряжение 3 В и ток не более 50 мА, для управления лазером.
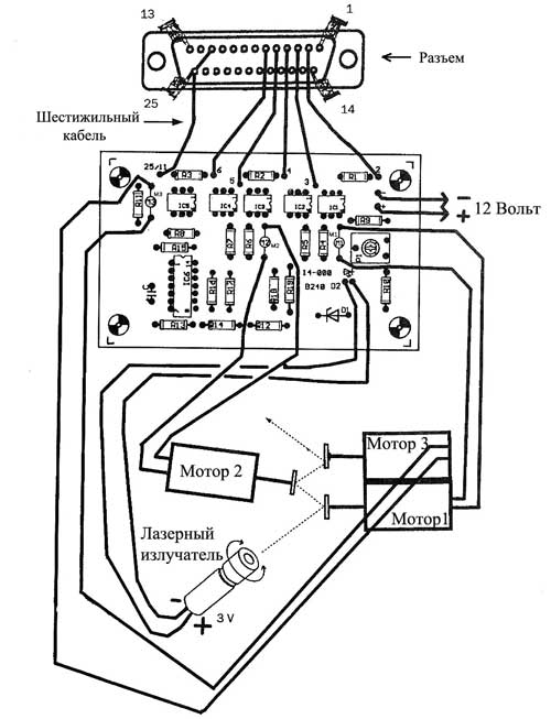
- Изготовьте шестижильный соединительный кабель, используя входящую в набор вилку типа CENTRONIX (длина кабеля должна быть не более 2 м). ВНИМАНИЕ! Распайка кабеля производится следующим образом: контакт 2 на печатной плате припаивается к контакту 2 на вилке, 3-3, 4-4, 5-5, 6-6, 11-25. На вилке замыкаются контакт 25 и контакт 11. (см. рис.6).
- Подключите кабель к LPT порту компьютера.
- Проинсталлируйте программу управления с прилагаемой дискеты на Ваш компьютер (программа может работать с операционной системой WIN95…98).
- Включите питание. В качестве источника питания используйте стабилизированный 12-вольтный источник с током на выходе не менее 400 мА (NM1014).
Описание работы устройства
I. Управление скоростью вращения электродвигателей, включения/выключения лазерного излучателя с помощью компьютера.
- Открыть программу (нажать соответствующую иконку).
- В появившемся окне нажать кнопку ”Output OFF”, навести курсор на кнопку ”Motor1” и с нажатой левой кнопкой мышки перемещаться вверх или вниз. При получении желаемой величины кнопку мышки отпустить (например, при величине 42). На экране можно следить за тем, как вращается кнопка и в окошке будет показана настроенная величина.
- Ту же самую процедуру надо сделать с моторами 2 и 3.
- Для включения/выключения лазерного излучателя настройте вращение “Мотора 3” на величину ”30”. Затем подстроечным резистором ”Р1”, который находится на печатной плате найдите такую позицию, при которой лазер включается. Если уменьшить обороты “Мотора 3”, лазер должен выключиться. При увеличении оборотов “Мотора 3” лазер должен опять включиться. В случае, если все моторы не подвижны, лазер должен быть выключен.
- Нажмите на кнопку ”Output On”. Электродвигатели начинают вращаться и включается лазерный излучатель.
- Частоту вращения электродвигателей можно произвольно менять (для этого повторите пп.2 и 3). “Мотор 1” и “Mотор 2” могут вращаться в двух направлениях, а “Mотор 3” только в одном.
II. Программирование.
- Первую настройку работы устройства произведите в соответствии с пунктами 1…6 описания ”Управление скоростью вращения моторов, включения/выключения лазерного излучателя с помощью компьютера.”
- Установите время выполнения сделанной настройки (в правом верхнем углу экрана находится окно с ”минутами” и ”секундами”. Наведите курсор на это окно, нажмите ”Backspace” на клавиатуре и занесите желаемое время, например 5 секунд).
- Для записи настройки в память нажмите кнопку ”Save Step”.
- Нажмите ”Add Step” для программирования следующуей программной строки (например, можете изменить скорость вращения какого-либо мотора и время выполнения этой программной строки).
- Для записи новой программной строки в память опять нажмите на ”Save Step”.
- С помощью ”Add Step” и ”Save Step” можно в соответствии с прежним описанием записать еще много других программных строчек.
- Если Ваша программа уже готова, можете ее под произвольным названием записать в память компьютера.
- Для записи программы нажмите ”File”, затем ”Save As” и впишите название программы.
- Для запуска желаемой программы нажмите ”File”, затем выбираете нужную программу нажимаете кнопку “Open” и кнопку ”Start”. Программа обрабатывается один раз, и при этом красная точка в строчке программы показывает, какая программная строчка в данный момент обрабатывается. После обработки последней строки программы, программа автоматически останавливается.
- Для того чтобы задать работу программы с бесконечным циклом нажмите сначала кнопку “Repeat” и потом “Start”.
- Работающую программу можно остановить в любой момент нажатием на кнопку ”Pause” и повторным нажатием опять запустить ход программы.
- Окончательно остановить работу программы можно нажатием на кнопку ”Stop”.
Внимание: из-за инерции моторы не могут мгновенно менять свою скорость вращения. Поэтому если на Вашем компьютере у Вас возникнут проблемы с программой (срыв программы, медленный ход), то необходимо нажать кнопку ”Configuration” и увеличить время в графе “Periodic Interrupt”.
Перечень элементов
Табл.1
| Позиция | Номинал | Примечание | Количество |
|---|---|---|---|
| IC1, IC2, IC3, IC4, IC5 | TCDF1910 | Оптопара | 5 |
| IC6 | B513D | Интегральная схема | 1 |
| D1 | BZX55VG3V0 | Стабилитрон | 1 |
| C1 | 10 мкФ/16В | (0408) | 1 |
| R1, R2, R3 | 470 Ом | Желтый, фиолетовый, коричневый | 3 |
| R4, R5, R6, R7, R8, R10, R14 | 68 Ом | Голубой, серый, черный | 7 |
| R9 | 6,8 кОм | Голубой, серый, красный | 1 |
| R11 | 3,9 кОм | Оранжевый, белый, красный | 1 |
| R12, R13 | 20 кОм | Красный, черный, желтый | 2 |
| R15, R17, R18 | 820 Ом | Серый, красный, коричневый | 3 |
| R16 | 2,7 кОм | Красный, фиолетовый, красный | 1 |
| R19 | 180 Ом | 2 W | 1 |
| P1 | 22 кОм | Подстроечный резистор | 1 |
| M1, M2, M3 | FF-180PH | Электродвигатель | 3 |
| — | — | Зеркало | 3 |
| — | — | Кронштейны для крепления зеркала | 3 |
| — | DB25F | Вилка типа CENTRONIX | 1 |
| — | — | Программное обеспечение (дискета 3,5”) | 1 |
| — | — | Колодка для IC 14 - PIN | 1 |
| — | — | Печатная плата 100х60мм | 1 |

Рис.5. Схема расположения электродвигателей и лазерного
излучателя на диэлектрической пластине
Порядок настройки
Перед использованием собранного набора необходимо проделать несколько операций:
- Проверьте правильность монтажа.
- Внимательно проверьте правильность установки микросхем и электролитического конденсатора.
- Проверьте правильность подключения устройства к компьютеру, подключение лазерного излучателя, моторов, питания.
- Соблюдая полярность, подайте напряжение питания.
- С помощью компьютера (см. описание работы модуля “Лазерное шоу”) настройте вращение “Мотора 3” на величину ”30”. Затем подстроечным резистором ”Р1”, который находится на печатной плате найдите такую позицию, при которой лазер включается. Если уменьшить обороты “Мотора 3”, лазер должен выключиться. При увеличении оборотов “Мотора 3” лазер должен опять включиться.
ЕСЛИ СОБРАННОЕ УСТРОЙСТВО НЕ РАБОТАЕТ:
- визуально проверьте Ваш набор на наличие поврежденных компонентов;
- внимательно проверьте правильность монтажа;
- проверьте, не возникло ли в процессе пайки перемычек между печатными проводниками, при обнаружении, удалите их паяльником или острым ножом;
- проверьте правильность установки микросхем;
- особое внимание уделите правильности установки электролитического конденсатора;
- проверьте полярность подключенного питания — неправильное подключение источника питания может привести к выходу из строя микросхем.
Лазерный луч опасен для сетчатки глаза! Не допускайте попадания прямого или отражённого луча в глаза!
Рекомендации по совместному использованию электронных наборов
В нашем каталоге и на нашем сайте Вы можете выбрать модуль лазерного излучателя (МК301 «Лазерный излучатель»), стабилизированный источник питания (рекомендуемый NM1014), корпус (рекомендуемый–BOX-G010) для этого набора, а также много других интересных и полезных Вам устройств.
ПРЕТЕНЗИИ ПО КАЧЕСТВУ ПРИНИМАЮТСЯ, ЕСЛИ:
- Отсутствуют компоненты, указанные в перечне элементов (недокомплект деталей).
- Присутствует схемотехническая ошибка на печатной плате, но отсутствует письменное уведомление об ошибке и описание правильного варианта.
- Номинал деталей не соответствует номиналам, указанным в перечне элементов.
- Имеется товарный чек и инструкция по сборке.
- Срок с момента покупки набора не более 14 дней.
Техническая экспертиза проводится техническими специалистами “Мастер Кит”.
Срок рассмотрения претензии 30 дней.
ПРЕТЕНЗИИ ПО КАЧЕСТВУ НЕ ПРИНИМАЮТСЯ, ЕСЛИ:
- Монтаж осуществлен с нарушением требований, указанных в инструкции.
- Пайка производилась с применением активного флюса (наличие характерных разводов на плате, матовая поверхность паяных контактов).
- Детали установлены на плату некорректно:
- не соблюдена полярность;
- имеются механические повреждения при установке;
- перегрев компонентов при пайке (отслоение дорожек, деформация деталей);
- присутствует ошибка установки компонентов (несоответствие номиналов принципиальной схеме);
- умышленная подмена рабочего компонента заведомо неисправным.
- Неработоспособность устройства вызвана самостоятельным изменением схемы.
Возникающие проблемы можно обсудить на конференции нашего сайта: http://www.masterkit.ru.
Вопросы можно задать по е-mail: infomk@masterkit.ru



